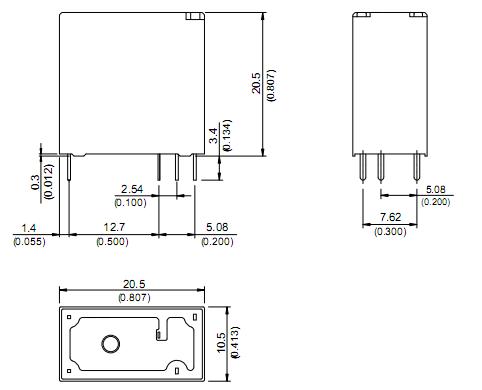
Product Summary
The 851H-1A-C is a 10.5mm slim type miniature PCB Relay.
Parametrics
851H-1A-C general specifications: (1)Contact resistance: 100mΩ max.; (2)operate time:10ms max.; (3)release time:5ms max.; (4)insulation resistance:1000mΩ min.(DC 500V); (5)vibration resistance: operating extremes:10Hz to 55Hz, amplitude 1.5mm, damage limits:10Hz to 55Hz, amplitude 1.5mm; (6)shock resistance: operating extremes:10G, damage limits:50G; (7)operating ambient temperature:-40℃ to +85℃; (8)weight: approx.8g.
Features
851H-1A-C features: (1)10.5mm slim type miniature PCB Relay; (2)UL/CUL, TUV approved; (3)High ratings 7A 250VAC and high insulation 2500V between coils to contacts; (4)Comply with RoHS-Directive 2002/95/EC; (5)Relay with AgCdO contact material is exempt from the Directives; (6)Special design for household appliances applications; (7)Flux free and sealed types are both available.
Diagrams

(China (Mainland))






