Product Summary
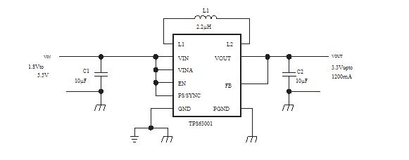
The TPS63001DRCR is a high efficient single inductor buck-boost converter. The TPS63001DRCR provides a power supply solution for products powered by either a two-cell or three-cell alkaline, NiCd or NiMH battery, or a one-cell Li-Ion or Li-polymer battery. Output currents can go as high as 1200 mA while using a single-cell Li-Ion or Li-Polymer Battery, and discharge it down to 2.5V or lower. The buck-boost converter is based on a fixed frequency, pulse-width-modulation (PWM) controller using synchronous rectification to obtain maximum efficiency. At low load currents, the converter enters Power Save mode to maintain high efficiency over a wide load current range. The PowerSave mode can be disabled, forcing the converter tooperate at a fixed switching frequency. The maximum average current in the switches is limited to a typicalvalueof1800mA.The output voltage of the TPS63001DRCR is programmable using an external resistor divider, or isfixed internally on the chip. The converter can bedisabled to minimize battery drain. During shutdown,the load is disconnected from the battery. The device is packaged in a 10-pin QFN Power PAD package measuring 3 mm × 3 mm (DRC). Applications include All Two-Cell and Three-Cell Alkaline, NiCd or NiMH or Single-Cell Li Battery Powered Products, Portable Audio Players, PDAs, Cellular Phones, Personal Medical Products and White LEDs.
Parametrics
TPS63001DRCR absolute maximum ratings: (1)Input voltage range on VIN, VINA, L1, L2, VOUT, PS/SYNC, EN, FB: –0.3V to 7V; (2)Operating virtual junction temperature range: –40℃ to 150℃; (3)Storage temperature range: –65℃ to 150℃.
Features
TPS63001DRCR features: (1)Up to 96% Efficiency; (2)1200-mA Output Current at 3.3V in Step Down; (3)Up to 800-mA Output Current at 3.3V in Boost; (4)Automatic Transition between Step Down and Boost Mode; (5)Device Quiescent Current less than 50μA; (6)Input Voltage Range: 1.8V to 5.5V; (7)Fixed and Adjustable Output Voltage Options from 1.2V to 5.5V; (8)Power Save Mode for Improved Efficiency at Low Output Power; (9)Forced Fixed Frequency Operation and Synchronization possible; (10)Load Disconnect During Shutdown; (11)Over-Temperature Protection; (12)Available in Small 3 mm × 3 mm, QFN-10 Package.
Diagrams

| Image | Part No | Mfg | Description | ![]() |
Pricing (USD) |
Quantity | ||||||||||||
|---|---|---|---|---|---|---|---|---|---|---|---|---|---|---|---|---|---|---|
![]() |
![]() TPS63001DRCR |
![]() Texas Instruments |
![]() DC/DC Switching Regulators 96% Buck-Boost Conv |
![]() Data Sheet |
![]()
|
|
||||||||||||
![]() |
![]() TPS63001DRCRG4 |
![]() Texas Instruments |
![]() DC/DC Switching Regulators 96% Buck-Boost Converter |
![]() Data Sheet |
![]()
|
|
||||||||||||
(China (Mainland))









