Product Summary
The 896HP-1CH-C is a Mini ISO high power automotive relay.
Parametrics
896HP-1CH-C general specifications: (1)Contact voltage drop:Typ. 50mV at 10A; (2)Insulation resistance:20MΩ Min. (DC 500V); (3)Operate time:20ms Max.; (4)Release time:20ms Max.; (5)Contact material:AgSnO alloy; (6)Dielectric strength: Between open contact: AC 500V , 50/60Hz 1 min., Between contact and coil : AC 500V , 50/60Hz 1 min.; (7)Vibration resistance: Operating extremes:10Hz to 55Hz, amplitude 2mm; (8)Shock resistance: Operating extremes:10G, Damage limits:100G; (9)Operating Temperature range:-40℃ to +125℃ (no freezing); (10)Weight Approx.:40 g.
Features
896HP-1CH-C features: (1)Mini ISO high power automotive relay 30A/50A; (2)High temperature endurance up to 125 degree C; (3)Optional SPNC, SPNO, SPDT, DPNO contact configurations; (4)Optional to be equipped with protection diode or resistor; (5)Both available PCB terminal and quick connect terminal versions; (6)Available for plain cover type, skirted cover flanged cover, and weather proof versions; (7)Tinned terminal is available on request; (8)Comply with RoHS-Directive 2002/95/EC, and ELV-Directive 2000/53/EC.
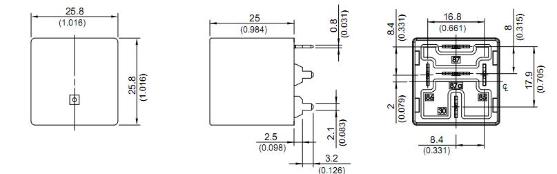
Diagrams

| Image | Part No | Mfg | Description | ![]() |
Pricing (USD) |
Quantity | ||||||||||||
|---|---|---|---|---|---|---|---|---|---|---|---|---|---|---|---|---|---|---|
![]() |
![]() 896HP-1CH-C-12VDC |
![]() Song Chuan |
![]() General Purpose / Industrial Relays SPDT 50A 12VDC |
![]() Data Sheet |
![]()
|
|
||||||||||||
| Image | Part No | Mfg | Description | ![]() |
Pricing (USD) |
Quantity | ||||||||||||
![]() |
![]() 896H-1AH-C-R1-U0312VDC |
![]() Song Chuan |
![]() General Purpose / Industrial Relays RELAY, 12VDC |
![]() Data Sheet |
![]()
|
|
||||||||||||
![]() |
![]() 896H-1AH-C-R1-U03-12VDC |
![]() Song Chuan |
![]() General Purpose / Industrial Relays 1FormA SPST 12V 50A |
![]() Data Sheet |
![]()
|
|
||||||||||||
![]() |
![]() 896H-1AH-D1-12VDC |
![]() Song Chuan |
![]() General Purpose / Industrial Relays SPST 30A 12VDC QC Mini-ISO |
![]() Data Sheet |
![]()
|
|
||||||||||||
![]() |
![]() 896H-1AH-D-12VDC |
![]() Song Chuan |
![]() General Purpose / Industrial Relays SPNO 12VDC Mini ISO |
![]() Data Sheet |
![]()
|
|
||||||||||||
![]() |
![]() 896H-1AH-D1-R1-12VDC |
![]() Song Chuan |
![]() General Purpose / Industrial Relays SPNO 12VDC Mini ISO |
![]() Data Sheet |
![]()
|
|
||||||||||||
![]() |
![]() 896H-1AH-D1SW-12VDC |
![]() Song Chuan |
![]() General Purpose / Industrial Relays RELAY, HIGH POWR SPNO, 12VDC |
![]() Data Sheet |
![]()
|
|
||||||||||||
(China (Mainland))











