Product Summary
The 812H-1C-C is a miniature PCB power relay.
Parametrics
812H-1C-C general specifications: (1)Contact material:AgSnO alloy; (2)Contact resistance:50mΩ Max.; (3)Operate time:15ms Max.; (4)Release time:5ms Max.; (5)Insulation resistance:100MΩ Min. (DC 500V); (6)Operating ambient temperature:-40℃ to +85℃.
Features
812H-1C-C features: (1)Miniature PCB Power Relays 10A 250VAC; (2)High CTI 250 and New Glow Wire Approved material; (3)UL Insulation Class F; (4)VDE 0435, UL/CUL, TUV, CSA approved.
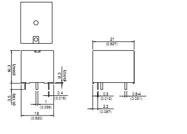
Diagrams

| Image | Part No | Mfg | Description | ![]() |
Pricing (USD) |
Quantity | ||||||||||||
|---|---|---|---|---|---|---|---|---|---|---|---|---|---|---|---|---|---|---|
![]() |
![]() 812H-1C-C-12VDC |
![]() Song Chuan |
![]() General Purpose / Industrial Relays 10A Mini 12VDC SPDT Flux Tight |
![]() Data Sheet |
![]()
|
|
||||||||||||
![]() |
![]() 812H-1C-C-24VDC |
![]() Song Chuan |
![]() General Purpose / Industrial Relays 10A Mini 24VDC SPDT Flux Tight |
![]() Data Sheet |
![]()
|
|
||||||||||||
![]() |
![]() 812H-1C-C-5VDC |
![]() Song Chuan |
![]() General Purpose / Industrial Relays 10A Mini 5VDC SPDT Flux Tight |
![]() Data Sheet |
![]()
|
|
||||||||||||
(China (Mainland))









